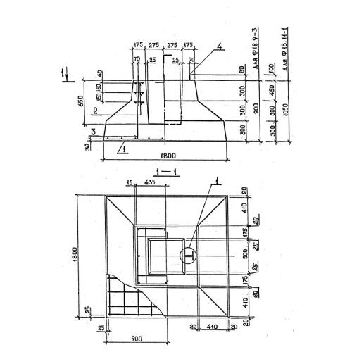
2Ф 18.11 фундаменты под колонны

Чертеж изделия:
Характеристики изделия:
ПараметрЗначение
длина1800 мм
ширина1800 мм
высота1050 мм
масса4500 кг
нормативный документГОСТ 24476-80

2Ф 18.11 Фундаменты сборные для колонн ГОСТ 24476-80.