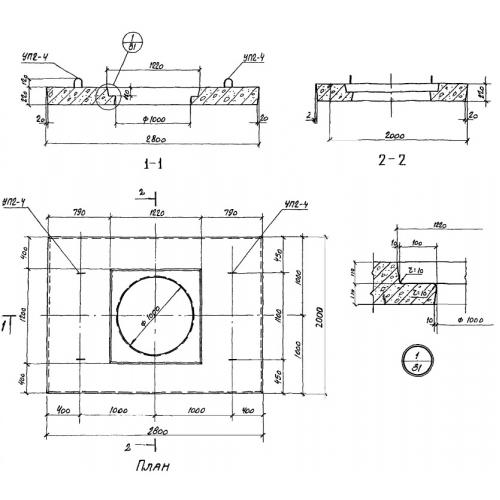
ПД 10 плиты дорожные

Чертеж изделия:
Характеристики изделия:
ПараметрЗначение
длина2800 мм
ширина2000 мм
высота220 мм
масса2480 мм
нормативный документГОСТ 8020-90

ПД 10 Плиты дорожные с отверстием под люк ГОСТ 8020-90.