ВБ 9.10.21

Чертеж изделия:
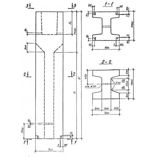
Характеристики изделия:
ПараметрЗначение
длина900 мм
ширина1000 мм
высота2090 мм
вес3990 кг
серия0-221-84

ВБ 9.10.21 Блок-стакан верхний по серии 0-221-84.