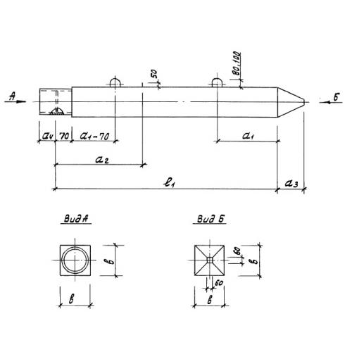
С 12-30

Чертеж изделия:
Характеристики изделия:
ПараметрЗначение
длина12000 мм
ширина300 мм
высота300 мм
масса2700 кг
нормативный документСерия 1.011.1-7

С 12-30  Сваи составные Серия 1.011.1-7.