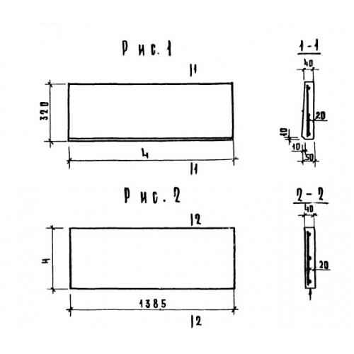
1ЛН 12.3

Чертеж изделия:
Характеристики изделия:
ПараметрЗначение
длина1210 мм
ширина320 мм
высота50 мм
масса43 кг
нормативный документСерия 1.020-1

1ЛН 12.3  Лестничные проступи нижней и рядовой ступени Серия 1.020-1.