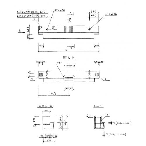
РОП 4.42

Чертеж изделия:
Характеристики изделия:
ПараметрЗначение
длина4160 мм
ширина375 мм
высота450 мм
масса1375 кг
нормативный документСерия 1.020-1

РОП 4.42  Ригели с одной полкой для опирания многопустотных панелей перекрытия Серия 1.020-1.