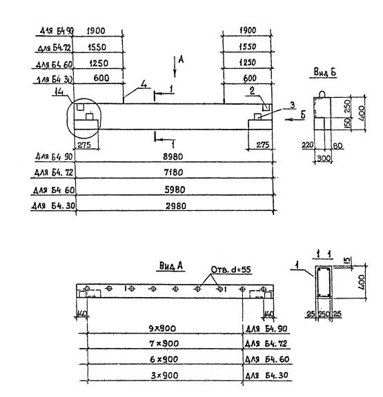
Б 4.90

Чертеж изделия:
Характеристики изделия:
ПараметрЗначение
длина8980 мм
ширина300 мм
высота400 мм
масса2800 кг
нормативный документСерия 1.020.1-2с/89

Б 4.90  Балки окаймляющие Серия 1.020.1-2с/89.