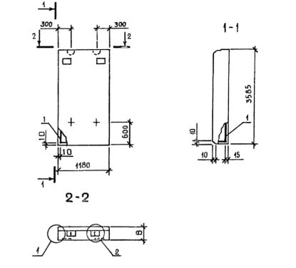
ПСЦ 12.36.35

Чертеж изделия:
Характеристики изделия:
ПараметрЗначение
длина1180 мм
ширина3585 мм
высота350 мм
масса1970 кг
нормативный документСерия 1.020.1-3пв

ПСЦ 12.36.35  Панели стеновые цокольные Серия 1.020.1-3пв.