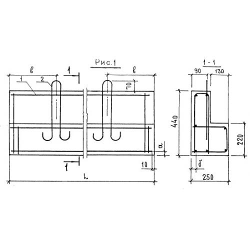
2ПГ 48 перемычки балочные

Чертеж изделия:
Характеристики изделия:
ПараметрЗначение
длина4800 мм
ширина250 мм
высота440 мм
масса977,5 кг
нормативный документСерия 1.038.1-1

2ПГ 48  Перемычки балочные Серия 1.038.1-1.