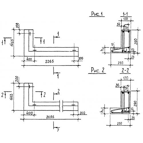
ПФУ 27 перемычки фасадные угловые

Чертеж изделия:
Характеристики изделия:
ПараметрЗначение
длина2655 мм
ширина250 мм
высота1465 мм
масса415 кг
нормативный документСерия 1.038.1-1

ПФУ 27  Перемычки угловые фасадные Серия 1.038.1-1.