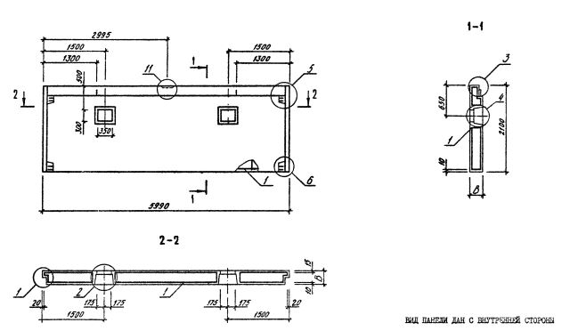
1ПСЦ 60.21.3,0-П-ПВ
Характеристики изделия:
| Параметр | Значение |
|---|---|
| длина | 5990 мм |
| ширина | 300 мм |
| высота | 2100 мм |
| масса | 4700 кг |
| нормативный документ | Серия 1.090.1-3пв |
Цена:
Рассчитать стоимостьПанели наружных стен нулевого цикла однослойные для сборного варианта (Серия 1.090.1-3пв).
1ПСЦ 60.21.3,0-П-ПВ Панели стеновые нулевого цикла (цокольные).
Цифра первой группы означает отличие в типах и расположении вертикальных торцов панели (зеркальность), наличие проема.
Вторая группа цифр (записаны через точки) обозначает габариты панели (длина, высота, толщина) в дециметрах.
П - вид бетона - бетон на пористых заполнителях.
ПВ - изделия предназначены для строительства зданий на просадочных грунтах и подрабатываемых территориях.