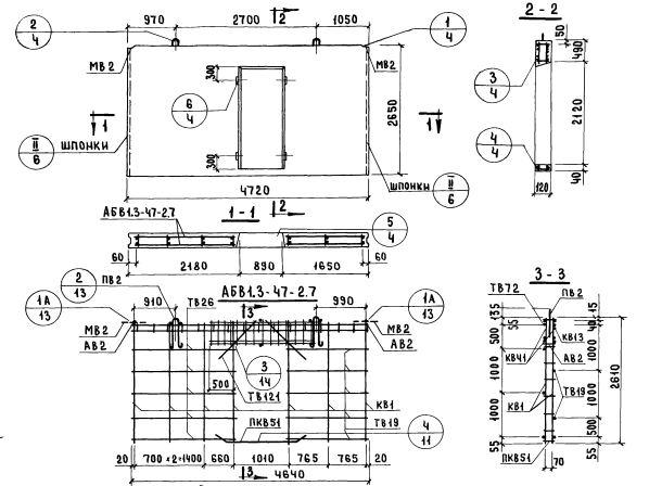
В1.3-47.27.12-2.7

Чертеж изделия:
Характеристики изделия:
ПараметрЗначение
длина4720 мм
ширина120 мм
высота2650 мм
масса3160 кг
нормативный документСерия 1.131-1

В1.3-47.27.12-2.7    Внутренние стеновые панели   (Серия 1.131-1).