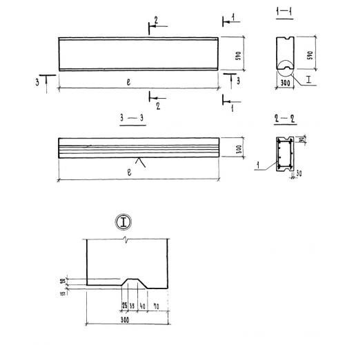
П 30.6.30

Чертеж изделия:
Характеристики изделия:
ПараметрЗначение
длина2970 мм
ширина590 мм
высота300 мм
вес380 кг
серия1.165.1-10

П 30.6.30 Панели покрытия по серии 1.165.1-10.