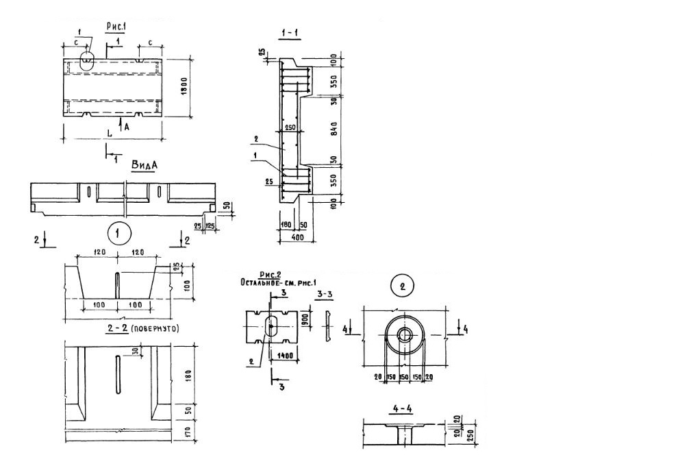
ЛРТ 30.18.40

Чертеж изделия:
Характеристики изделия:
ПараметрЗначение
длина2980 мм
ширина1800 мм
высота400 мм
масса2290 кг
нормативный документСерия 1.165.1-12

ЛРТ 30.18.40   Водосбросные лотковые плиты  Серия 1.165.1-12.