ПП 13.5

Чертеж изделия:
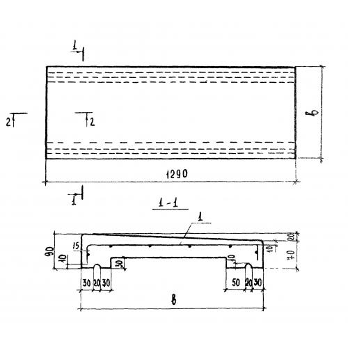
Характеристики изделия:
ПараметрЗначение
длина1290 мм
ширина470 мм
высота70 мм
масса94 кг
нормативный документСерия 1.238-1

ПП 13.5  Плиты парапетные Серия 1.238-1.