ПШЛ 63-33

Чертеж изделия:
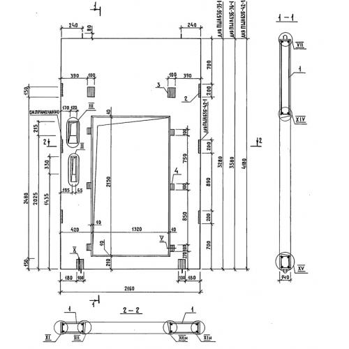
Характеристики изделия:
ПараметрЗначение
длина2160 мм
ширинга140 мм
высота3280 мм
вес1420 кг
серия1.289.1-2

ПШЛ 63-33 Панели шахт лифтов по серии 1.289.1-2.