ПСД 6.12.30
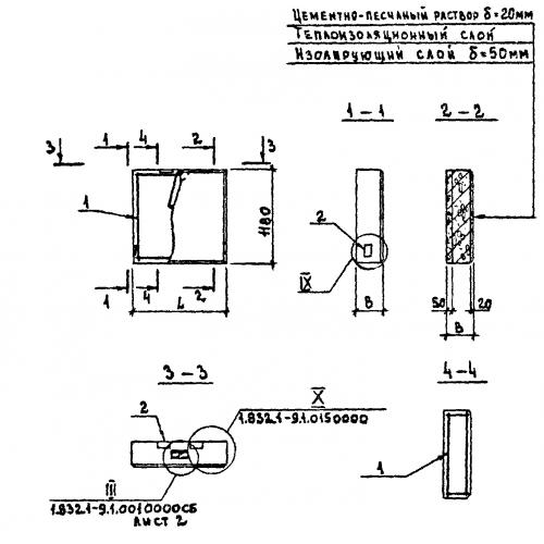
Характеристики изделия:
| Параметр | Значение |
|---|---|
| длина | 580 мм |
| ширина | 300 мм |
| высота | 1180 мм |
| вес | 400 кг |
| серия | 1.832.1-9 |
Цена:
Рассчитать стоимостьПСД 6.12.30 Панели стеновые двухслойные по серии 1.832.1-9.
| Параметр | Значение |
|---|---|
| длина | 580 мм |
| ширина | 300 мм |
| высота | 1180 мм |
| вес | 400 кг |
| серия | 1.832.1-9 |
ПСД 6.12.30 Панели стеновые двухслойные по серии 1.832.1-9.
