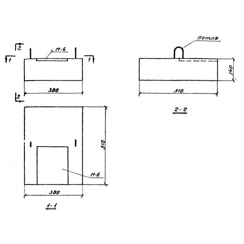
СПО 4-5
Характеристики изделия:
| Параметр | Значение |
|---|---|
| длина | 380 мм |
| ширина | 510 мм |
| высота | 140 мм |
| вес | 68 кг |
| серия | 1.862-1 |
Цена:
Рассчитать стоимостьСПО 4-5 Опорные подушки для сельскохозяйственного строительства по серии 1.862-1.
| Параметр | Значение |
|---|---|
| длина | 380 мм |
| ширина | 510 мм |
| высота | 140 мм |
| вес | 68 кг |
| серия | 1.862-1 |
СПО 4-5 Опорные подушки для сельскохозяйственного строительства по серии 1.862-1.
