ОП 8

Чертеж изделия:
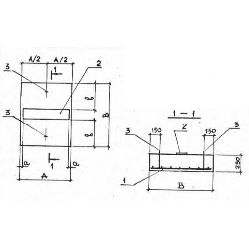
Характеристики изделия:
ПараметрЗначение
длина850 мм
ширина1050 мм
высота290 мм
вес650 кг
серия3.006-2

ОП 8 Опорные подушки по серии 3.006-2.