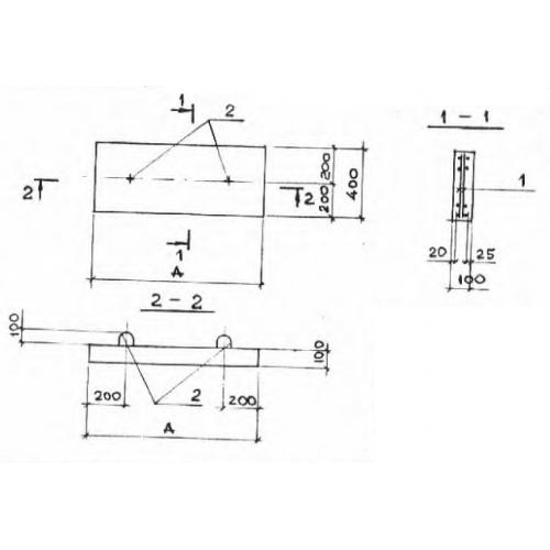
ПП 1

Чертеж изделия:
Характеристики изделия:
ПараметрЗначение
длина640 мм
ширина400 мм
высота100 мм
вес50 кг
серия3.006-2

ПП 1 Плиты перекрытия лотков по серии 3.006-2.