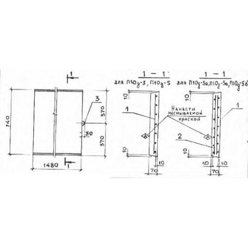
П 10 д плиты лотков

Чертеж изделия:
Характеристики изделия:
ПараметрЗначение
длина740 мм
ширина1480 мм
высота70 мм
масса190 кг
нормативный документСерия 3.006.1-2/87

П 10д Плиты перекрытия лотков доборные Серия 3.006.1-2/87.