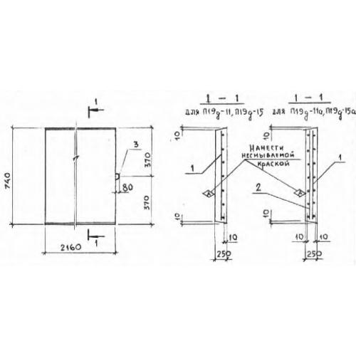
П 19 д плиты лотков

Чертеж изделия:
Характеристики изделия:
ПараметрЗначение
длина740 мм
ширина2160 мм
высота250 мм
масса1000 кг
нормативный документСерия 3.006.1-2/87

П 19д Плиты перекрытия лотков доборные Серия 3.006.1-2/87.