ЛК 75.120.90 лотки

Чертеж изделия:
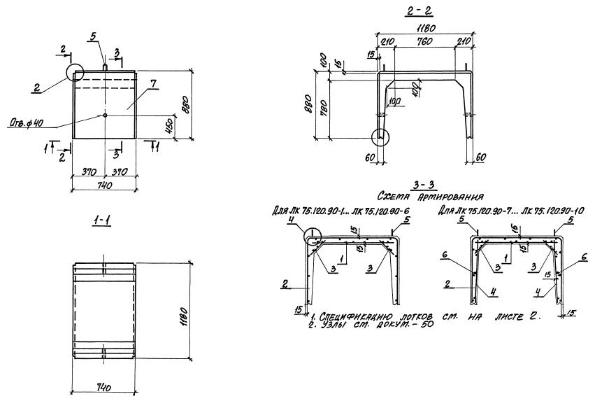
Характеристики изделия:
ПараметрЗначение
длина740 мм
ширина1180 мм
высота880 мм
масса500 кг
нормативный документСерия 3.006.1-8

ЛК 75.120.90  Лотки каналов Серия 3.006.1-8.