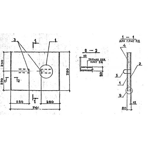
ПД 75.60.8 плиты днища

Чертеж изделия:
Характеристики изделия:
ПараметрЗначение
длина740 мм
ширина580 мм
высота80 мм
масса85 кг
нормативный документСерия 3.006.1-8

ПД 75.60.8  Плиты днища каналов Серия 3.006.1-8.