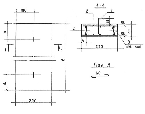
ПНТ 1т

Чертеж изделия:
Характеристики изделия:
ПараметрЗначение
Длина2980 мм
Ширина220 мм
Высота80 мм
Масса130 кг
Нормативный документСерия 3.019.1-1

ПНТ 1т  Плита покрытия по Серии 3.019.1-1.