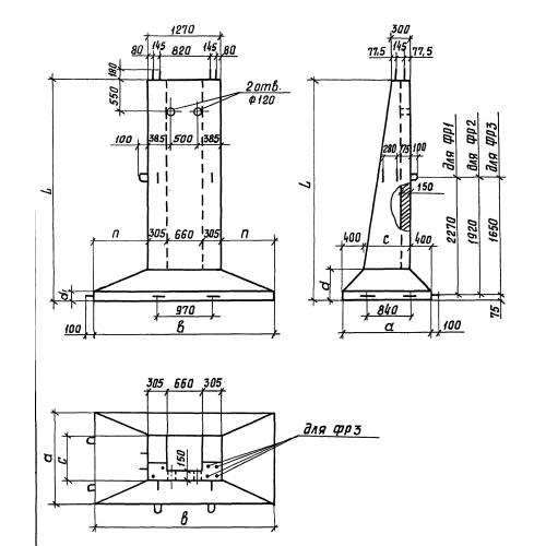
ФР 2
Характеристики изделия:
| Параметр | Значение |
|---|---|
| длина | 4000 мм |
| ширина | 1600 мм |
| высота | 3250 мм |
| вес | 8500 кг |
| серия | 3.501.1-153 |
Цена:
Рассчитать стоимостьФР 2 Фундаменты раздельные по серии 3.501.1-153.
| Параметр | Значение |
|---|---|
| длина | 4000 мм |
| ширина | 1600 мм |
| высота | 3250 мм |
| вес | 8500 кг |
| серия | 3.501.1-153 |
ФР 2 Фундаменты раздельные по серии 3.501.1-153.
