ФП-2

Чертеж изделия:
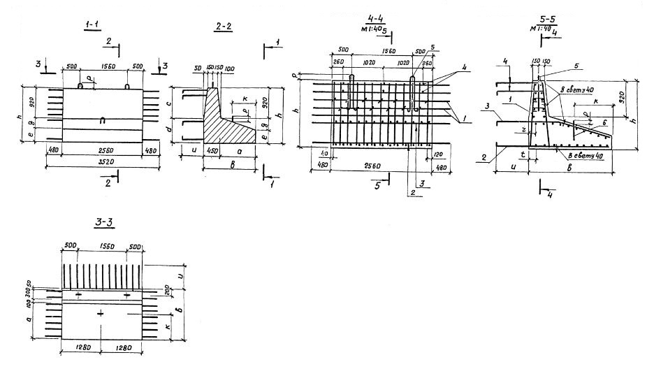
Характеристики изделия:
ПараметрЗначение
длина3520 мм
ширина2380 мм
высота1620 мм
масса8300 кг
нормативный документСерия 3.503.1-57

ФП-2  Блоки фундамента Серия 3.503.1-57.