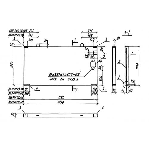
ПОГ 273.105
Характеристики изделия:
| Параметр | Значение |
|---|---|
| длина | 2730 мм |
| ширина | 80 мм |
| высота | 1050 мм |
| вес | 575 кг |
| серия | 3.818.9-2 |
Цена:
Рассчитать стоимостьПОГ 273.105 Панели ограждения станков, выгульных площадок и резделительных секций по серии 3.818.9-2.
