ПСТ 60.21.40

Чертеж изделия:
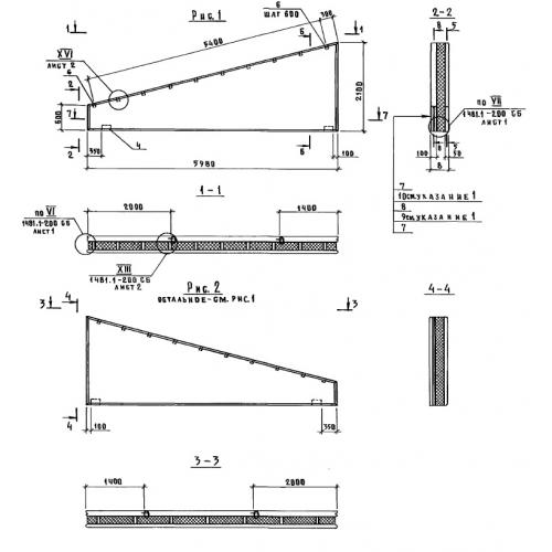
Характеристики изделия:
ПараметрЗначение
длина5980 мм
ширина400 мм
высота2100 мм
вес2900 кг
Шифр1481

ПСТ 60.21.40  Панели стеновые трехслойные по Шифру 1481.