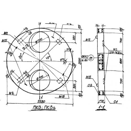
ПК 3

Чертеж изделия:
Характеристики изделия:
ПараметрЗначение
длина2250 мм
ширина2250 мм
высота170 мм
вес1360 кг
серияТП 905-7

ПК 3 Плиты перекрытия колодца круглые  по проекту ТП 905-7.